x

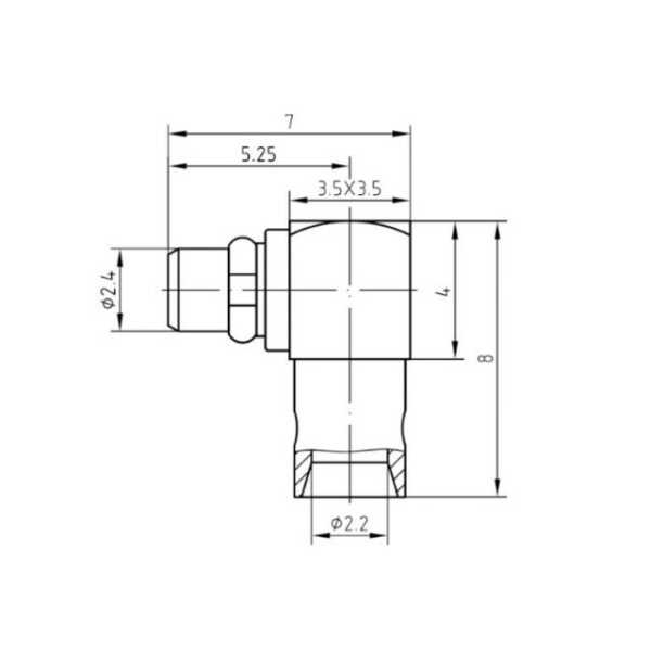
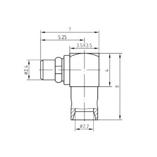
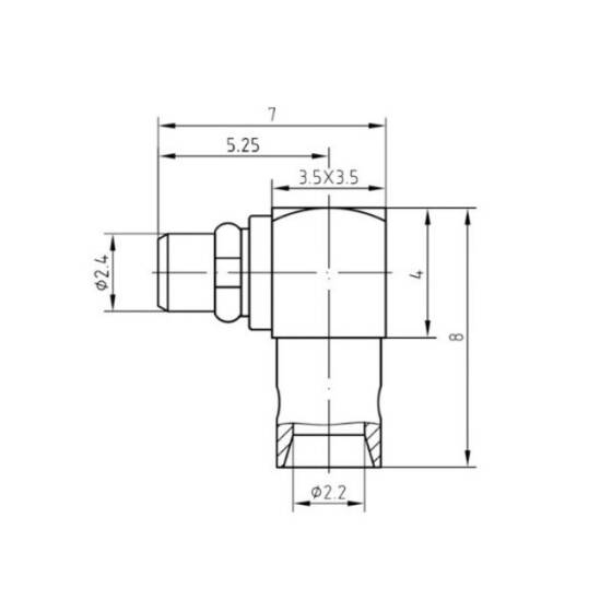
MMCX-JWB2 Erkek Konnektör

Stok : Var
Tedarikçi Stok Kodu : MB-GRS02205
Ürün Kodu : M-GRS02205
60,76 TL + KDV
Fiyat Alarmı
60,76 TL + KDV
Tavsiye Et

MMCX-JWB2 Erkek Konnektör


MMCX-JWB2 Erkek Konnektör Açıklama


MMCX-JWB2 Erkek Konnektör yüksek frekanslı sinyal iletiminde üstün performans sunan bir konnektör türüdür. Bu ürün, özellikle MMCX uyumlu bağlantıların sağlanmasında kritik rol oynar ve JWB2 standardına uygun olarak tasarlanmıştır. Mühendislik projelerinde, telsiz iletişim sistemlerinde ve hassas elektronik uygulamalarda sıklıkla tercih edilir. Kompakt yapısı sayesinde dar alanlarda bile rahatlıkla kullanılabilmesi, bu konnektörü birçok endüstriyel uygulama için ideal hale getirir.

MMCX-JWB2 Erkek Konnektör Teknik Özellikleri


  • Frekans Aralığı: 0-6 GHz
  • Empedans: 50 Ohm
  • Montaj Tipi: Panel montaj
  • Malzeme: Altın kaplama pirinç

MMCX-JWB2 Erkek Konnektör Kullanım Alanları


  • Telsiz İletişim Sistemleri: Radyo frekans sinyallerinin iletimi ve alınmasında yüksek verimlilik sunar.
  • Taşınabilir Cihazlar: Küçük form faktörü sayesinde mobil cihazlar ve giyilebilir teknolojilerde kullanılabilir.
  • Test ve Ölçüm Ekipmanları: Hassas ölçümler gerektiren laboratuvar uygulamalarında güvenilir bağlantılar sağlar.
Ağırlık (Kg)
0.05
Teklif Formu
Sec Code
Gönder butonuna tıkladığınızda, Gizlilik Politikası ve Kişisel Verilerin Korunması Ve İşlenmesine İlişkin Aydınlatma Metni ' ni kabul etmiş olursunuz.
T-Soft E-Ticaret Sistemleriyle Hazırlanmıştır.