x

HLK-5D1205 DC-DC 9-18V-5V Güç Kaynağı Modülü (Yeni Model: VRB1205YMD-5WR3)

Stok : Yok
Tedarikçi Stok Kodu : DE117
Ürün Kodu : TK15426
167,92 TL + KDV
Fiyat Alarmı
167,92 TL + KDV
Tavsiye Et

HLK-5D1205 DC-DC 9-18V-5V Güç Kaynağı Modülü (Yeni Model: VRB1205YMD-5WR3)


HLK-5D1205 DC-DC 9-18V-5V Güç Kaynağı Modülü (Yeni Model: VRB1205YMD-5WR3) Açıklaması


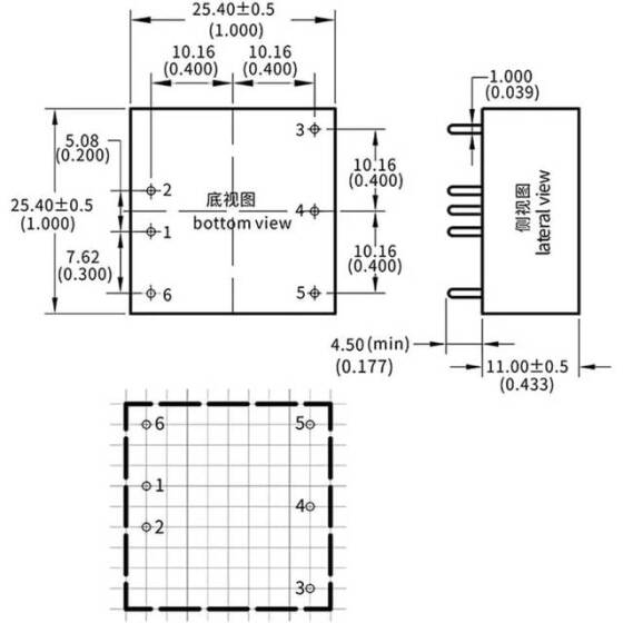
HLK-5D1205 DC-DC 9-18V - 5V Güç Kaynağı Modülü (yeni model: VRB1205YMD-5WR3), giriş voltajını 9V'a düşüren yüksek verimli bir DC-DC dönüştürücüdür. 18V'den kararlı bir 5V çıkışa. Bu 5W modül, çok çeşitli düşük güçlü uygulamalar için tasarlanmıştır ve kompakt sistemlerde güvenilir güç dönüşümü sağlar.

HLK-5D1205 DC-DC 9-18V 5V Güç Kaynağı Modülü (Yeni Model: VRB1205YMD-5WR3) HLK-5D1205 DC-DC 9-18V - 5V Güç Kaynağı Modülü Özellikleri


  • Giriş Voltajı: 9V - 18V DC
  • Çıkış Gerilimi: 5V DC
  • Güç Değeri: 5W
  • Kompakt Boyut: Alanı kısıtlı projeler için uygundur
  • Yeni Model: VRB1205YMD-5WR3, gelişmiş performans ve verimlilik sağlar

HLK-5D1205 DC-DC 9-18V - 5V Güç Kaynağı Modülü (Yeni Model: VRB1205YMD-5WR3) HLK-5D1205 DC-DC 9-18V - 5V Güç Kaynağı Modülü Uygulamaları


  • Gömülü Sistemler: Gömülü elektroniklerdeki 5V devrelere güç vermek için idealdir
  • Taşınabilir Elektronikler: 9-18V girişten 5V güç kaynağı
  • Endüstriyel Kontrol: 5V çıkışın gerekli olduğu endüstriyel uygulamalarda kullanılır
Ağırlık (Kg)
20
Teklif Formu
Sec Code
Gönder butonuna tıkladığınızda, Gizlilik Politikası ve Kişisel Verilerin Korunması Ve İşlenmesine İlişkin Aydınlatma Metni ' ni kabul etmiş olursunuz.
T-Soft E-Ticaret Sistemleriyle Hazırlanmıştır.